 |
WT7030
Einschraub-Widerstandsthermometer können für Temperaturmessungen
in flüssigen und gasförmigen Medien eingesetzt werden.
Typische Einsatzgebiete ergeben sich in der Klima- und Kältetechnik,
im Heizungs-, Ofen- und Apparatebau, in der chemischen Industrie,
in Behälter- und Rohrleitungsanlagen.
Der Anschlusskopf ohne Transmitter ist für Umgebungstemperaturen
bis 100° C geeignet. Neben dem Standardanschlusskopf Form B
sind auch Ausführungen mit BUZ, BBK, BGT, BVA oder BUZ-H-Kopf
lieferbar. |
| |
|
 |
WT7031
Einschraub-Widerstandsthermometer können für Temperaturmessungen
in flüssigen und gasförmigen Medien eingesetzt werden.
Typische Einsatzgebiete ergeben sich in der Klima- und Kältetechnik,
im Heizungs-, Ofen- und Apparatebau sowie in der chemischen
Industrie.
Der Anschlusskopf ohne Transmitter ist für Umgebungstemperaturen
bis 100° C geeignet. Neben dem Standardanschlusskopf Form B
sind auch Ausführungen mit BUZ, BBK, BGT, BVA oder BUZ-H-Kopf
lieferbar. |
| |
|
 |
WT7032
Einschraub-Widerstandsthermometer können für Temperaturmessungen
in flüssigen und gasförmigen Medien eingesetzt werden.
Typische Einsatzgebiete ergeben sich in der Klima- und Kältetechnik,
im Heizungs-, Ofen- und Apparatebau sowie in der chemischen
Industrie.
Der Anschlusskopf ohne Transmitter ist für Umgebungstemperaturen
bis 100° C geeignet. Neben dem Standardanschlusskopf Form B
sind auch Ausführungen mit BUZ, BBK, BGT oder BUZ-H-Kopf
lieferbar. |
| |
|
 |
WT7033
Widerstandsthermometer können für Temperaturmessungen in
flüssigen und gasförmigen Medien eingesetzt werden.
Typische Einsatzgebiete ergeben sich in der Klima- und Kältetechnik,
im Heizungs-, Ofen- und Apparatebau sowie in der chemischen
Industrie.
Der Anschlusskopf ohne Transmitter ist für Umgebungstemperaturen
bis 100° C geeignet. Neben dem Standardanschlusskopf Form B
sind auch Ausführungen mit BUZ, BBK, BVA, BGT oder BUZ-H-Kopf
lieferbar. |
| |
|
 |
WT7034
Einschraub-Widerstandsthermometer können für Temperaturmessungen
in gasförmigen Medien eingesetzt werden.
Typische Einsatzgebiete ergeben sich in der Klima- und Kältetechnik,
im Heizungs-, Ofen- und Apparatebau sowie in der chemischen
Industrie.
Der Anschlusskopf ohne Transmitter ist für Umgebungstemperaturen
bis 100° C geeignet. Neben dem Standardanschlusskopf Form B
sind auch Ausführungen mit BUZ, BBK, BGT oder BUZ-H-Kopf
lieferbar. |
| |
|
 |
Wt6422
Einschraub-Thermoelemente können für Temperaturmessungen in
gasförmigen Medien eingesetzt werden. Typische Einsatzgebiete
ergeben sich in der Klima- und Kältetechnik, im Heizungs-, Ofen und
Apparatebau.
Der Anschlusskopf ohne Transmitter ist für Umgebungstemperaturen
bis 100° C geeignet. Neben dem Standardanschlusskopf Form B
sind auch Ausführungen mit BUS, BUZ, BBK, BGT oder BUZ-HKopf
lieferbar. |
| |
|
 |
WT7033
Widerstandsthermometer können für Temperaturmessungen in
flüssigen und gasförmigen Medien eingesetzt werden.
Typische Einsatzgebiete ergeben sich in der Klima- und Kältetechnik,
im Heizungs-, Ofen- und Apparatebau sowie in der chemischen
Industrie.
Der Anschlusskopf ohne Transmitter ist für Umgebungstemperaturen
bis 100° C geeignet. Neben dem Standardanschlusskopf Form B
sind auch Ausführungen mit BUZ, BBK, BVA, BGT oder BUZ-H-Kopf
lieferbar. |
| |
|
 |
WT7035
Einschraub-Widerstandsthermometer können für Temperaturmessungen
in flüssigen und gasförmigen Medien eingesetzt
werden. Typische Einsatzgebiete ergeben sich in der Klimaund
Kältetechnik, im Heizungs-, Ofen- und Apparatebau sowie
in der chemischen Industrie.
Der Anschlusskopf ohne Transmitter ist für Umgebungstemperaturen
bis 100° C geeignet. Neben dem Standardanschlusskopf
Form B sind auch Ausführungen mit BUZ,
BBK, BGT, BVA oder BUZ-H-Kopf lieferbar. |
| |
|
 |
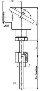
WT7037
Flansch-Widerstandsthermometer können für
Temperaturmessungen in flüssigen und
gasförmigen Medien eingesetzt werden.
Typische Einsatzgebiete ergeben sich im Apparatebau,
in der chemischen Industrie, in Behälterund
Rohrleitungsanlagen, bei Energieerzeugung
und Wärmeverteilung. |
| |
|
 |
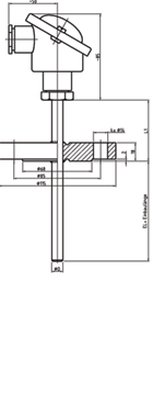
WT7038
Einschraub-Widerstandsthermometer Form B,
ähnlich DIN 43765 mit Anschlusskopf Form B
nach DIN EN 43729 ohne Halsrohr, perforiert zur
Lufttemperaturmessung
Einschraub-Widerstandsthermometer können für Temperaturmessungen
in flüssigen und gasförmigen Medien eingesetzt werden.
Typische Einsatzgebiete ergeben sich in der Klima- und Kältetechnik,
im Heizungs-, Ofen- und Apparatebau sowie in der chemischen
Industrie.
|
| |
|
 |
WT7490
Einschraub-Widerstandsthermometer können für Temperaturmessungen
in flüssigen und gasförmigen Medien eingesetzt werden.
Typische Einsatzgebiete ergeben sich in der Klima- und Kältetechnik,
im Heizungs-, Ofen- und Apparatebau sowie in der chemischen
Industrie.
Der Anschlusskopf ohne Transmitter ist für Umgebungstemperaturen
bis 100° C geeignet. |
| |
|
|